View Vogelzang Wood Stove Accessories Video

Every wood burning stove with firebrick liners will need to have its bricks replaced on a regular basis to keep the stove performing at optimum efficiency.

View Vogelzang Wood Stove Accessories Video. Buying request hub makes it simple, with just a few steps: Every wood burning stove with firebrick liners will need to have its bricks replaced on a regular basis to keep the stove performing at optimum efficiency.

Amazon Com Lynn Manufacturing Replacement Us Stove Vogelzang Insert Fiber Board Blanket Models 2200i 2200ie Tr004 88158 88159 88160 2803c Home Kitchen
Amazon Com Lynn Manufacturing Replacement Us Stove Vogelzang Insert Fiber Board Blanket Models 2200i 2200ie Tr004 88158 88159 88160 2803c Home Kitchen from images-na.ssl-images-amazon.com
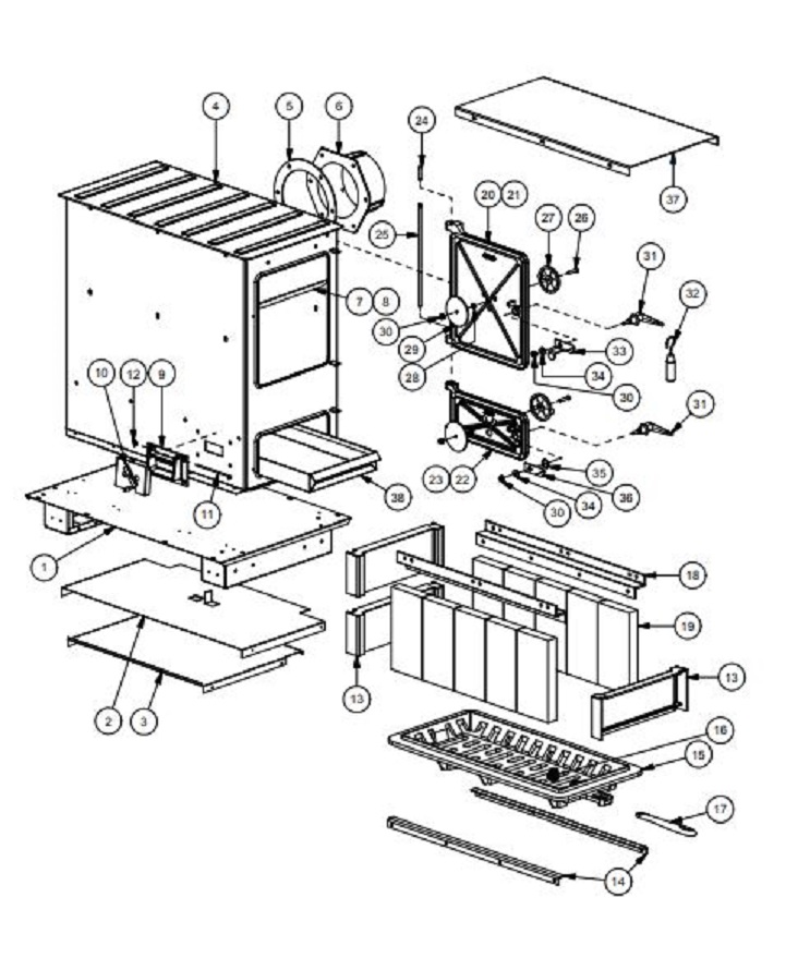
Packer camp stove basic model, accessories package or deluxe models to chose from. Firebricks help extend the life of a wood stove. Like with any wood stove, regular care and maintenance are part of responsible ownership, and this can include the occasional need to repair or switch out parts.

Build a vogelzang wood stove.

Packer camp stove basic model, accessories package or deluxe models to chose from. One of the best ways to keep your stove efficient and performing well is to replace vogelzang mountaineer parts at the first sign of wear. You are free to download any vogelzang international wood stove manual in pdf format. Able to burn wood or coal, you're sure to find the right vogelzang stove for you.